振動篩12年生產廠家
過濾,除雜,分級

硅微粉:
硅微粉是一種無害、無味、無污染的無機非金屬材料。由于它具備耐溫性好、耐酸堿腐蝕、導熱性差、高絕緣、低膨脹、化學性能穩定、硬度大等優良的性能,被廣泛用于化工、電子、集成電路(IC)、電器、塑料、涂料、高級油漆、橡膠、國防等領域。

硅微粉是由天然石英(SiO2)或熔融石英(天然石英經高溫熔融、冷卻后的非晶態SiO2)經破碎、球磨(或振動、氣流磨)、浮選、酸洗提純、高純水處理等多道工藝加工而成的微粉。硅微粉的生產工藝中離不開振動篩分設備。


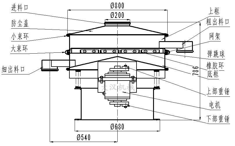
硅微粉振動篩由直立式振動電機作為激振源,電機上、下兩端安裝有偏心重錘,將電機的旋轉運動轉變為水平、垂直、傾斜的三次元運動,再把這個運動傳遞給篩面進行篩分。調節上、下兩端的相位角,可以改變物料在篩面上的運動軌跡。
大漢振動篩廠家可根據客戶需求設計特殊型號,無論物料是干是濕,是精細是粗糙,是比重大是比重輕,0-400目都可以篩選,不管是液態,還是漿狀的0-600目都可以過濾。大漢振動篩系列產品同時配備專門的篩網清理裝置,把堵網率降到低,過網率和處理精度得以有效提高。大漢機械具備特殊型號制造的能力讓顧客有更多的選擇。



⑴設備應有穩定的基礎。當設備安裝于一般地面或水泥基礎上時,可以不設置地腳螺栓。當設備安裝于鋼結構架臺之上時,應用螺栓緊固于結構體上,而且鋼結構架臺應有一定的鋼度。本機只需三相開關一只(備注:好使用電氣控制盤),用蛇皮管穿線,將電機接至電源即可,注意電氣控制盤應懸掛安裝于墻上。
⑵設備出廠前已將篩網裝妥,使用過程中的篩網更換可自己更換。
⑶開機前,應先檢查各壓緊螺栓的緊固程度,及各料口的位置是否與接料器對正,并觀察振動電機是否能正常轉動及彈簧受力有無阻礙,檢查各層篩網是否壓緊。
⑷當旋振篩接入電氣控制盤之前,應首先對電氣控制盤進行檢查。線路接通后觀察振動電機旋轉方向是否是順時針方向, (備注:否則應改變相序)運轉是否正常,有無異噪聲。
⑸調節振動電機上下偏心塊的相位角,以適應各種物料篩分情況。

售后服務:
1.保修期內非因操作不當造成需要更換的零配件及設備由我廠負責包修、包換。
2.質量保證期結束后,我廠將繼續免費提供售后服務,不限年份終身服務,僅收取零部件成本費,免收人工費,免收維修費。
服務承諾:
為了向您提供完善的售后服務,請將您的寶貴意見、建議及要求反饋給我廠。我們感謝貴單位使用我廠的產品,我廠建立有完整的營銷網絡及完善的售后服務體系,售后服務部已將您購買的產品建立了信息檔案。如果您購買的產品出現質量問題,我們將及時為您提供全方位的服務。